Alcadrain Sifon pro dvoudřez s nerezovými mřížkami DN70 a přípojkou A449P-DN50/40
Kód: A449P-DN50/40Související produkty
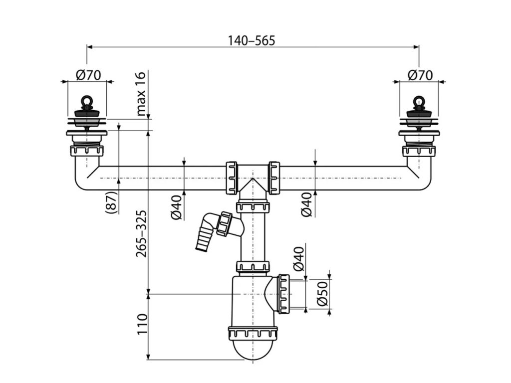
Detailní popis produktu
Použití
- pro dvoudílné dřezy
Vlastnosti
- vývod odpadu připraven pro napojení odpadní trubky Ø50 nebo Ø40 mm
- s přípojkou pro pračku nebo myčku nádobí
- materiál: polypropylen
Technické informace
- zápachová uzávěra: 50 mm
- průtok jednou výpustí: 49,8 l/min
- průtok dvěma výpustmi: 83,4 l/min
- tepelný atest: 95 ˚C
- přípojka na hadici: 17 – 23 mm
Balení obsahuje
- tělo sifonu se dvěma výpustmi a přípojkou
- zátka z PVC 2 ks
- nerezová mřížka výpusti 2 ks
Doplňkové parametry
| Kategorie: | Umyvadlové sifony |
|---|---|
| Záruka: | 2 roky |
| Hmotnost: | 0.26 kg |
Hodnocení produktu
Buďte první, kdo napíše příspěvek k této položce.
Diskuze
Buďte první, kdo napíše příspěvek k této položce.
