HANSGROHE Sprchové Rameno VERNIS SHAPE Stropní, Délka 10 cm, Materiál Mosaz, Barva CHROM LESKLÝ / ČERNÁ MATNÁ 26406000
Kód: 26406000Související produkty
Detailní popis produktu
-
Detailní popis produktu ✨ Design, Funkce a Uživatelský Komfort
Představujeme vám HANSGROHE Sprchové Rameno VERNIS SHAPE – nezbytný a technicky perfektní instalační prvek pro podomítkové sprchové systémy, který ztělesňuje technickou dokonalost značky HANSGROHE a elegantní design.
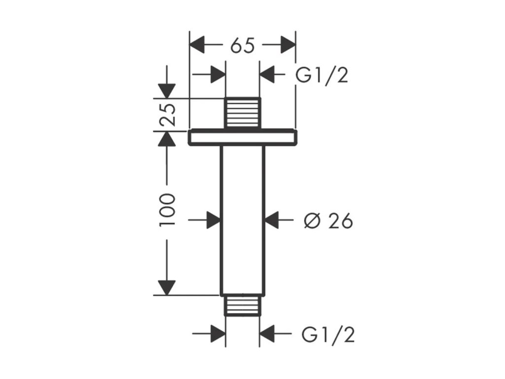
Klíčovou funkcí ramene je přivedení vody k hlavové sprše při stropní montáži, což je ideální pro nízké stropy nebo pro zákazníky preferující minimalistické a nenápadné řešení. S délkou vyložení pouhých 10 cm (100 mm) se rameno stává téměř neviditelným. Design ramene je kulatý s elegantním průměrem 26 mm, patřící do oceňované série VERNIS SHAPE. Materiálem je masivní Mosaz, která je zárukou dlouhé životnosti, stability a vynikající odolnosti proti vlhkosti a korozi. Dostupnost ve dvou nadčasově elegantních barevných variantách – klasickém CHROM LESKLÉM (Kód 26406000) a moderní ČERNÉ MATNÉ (Kód 26406670) – umožňuje přesné sladění s ostatními prvky a zajišťuje nejvyšší uživatelský komfort a estetickou hodnotu sprchového prostoru.
📐 Detailní Rozměry a Technické Specifikace
Stropní rameno HANSGROHE VERNIS SHAPE se vyznačuje následujícími obsáhlými technickými parametry, které podtrhují jeho technickou perfektnost:
-
Typ produktu: Stropní sprchové rameno (Přívod od stropu pro hlavovou sprchu).
-
Série: VERNIS SHAPE.
-
Délka (Vyložení od stropu): Krátkých 10 cm (100 mm).
-
Průměr Ramene: 26 mm.
-
Materiál: Masivní Mosaz (zajišťuje robustnost a trvanlivost).
-
Montáž: Stropní (upevnění skrz stropní konstrukci).
-
Typ Připojení: Standardní závit G 1/2" (DN15) pro připojení ke sprše.
-
Barevné varianty:
-
CHROM LESKLÝ (Kód: 26406000).
-
ČERNÁ MATNÁ (Kód: 26406670).
-
-
Záruka: 5 let.
-
Doplňkové parametry
| Kategorie: | Hlavové sprchy |
|---|---|
| Záruka: | 2 roky |
| Barva: | chrom, černá matná |
| Materiál: | Mosaz |
| ? Délka (cm): | 10 cm |
Buďte první, kdo napíše příspěvek k této položce.
Buďte první, kdo napíše příspěvek k této položce.
Hansgrohe je renomovaná německá značka, která se specializuje na koupelnové a kuchyňské armatury. Její historie sahá až do roku 1901, kdy ji založil Hans Grohe v německém Schiltachu. Firma se rychle proslavila svými inovacemi, například ruční sprchou (1928) a sprchovou tyčí (1953), která se dnes považuje za standardní vybavení koupelen.
Hansgrohe je synonymem pro kvalitu, inovativní technologie a oceňovaný design. Většina produktů se stále vyrábí v Německu. Značka si zakládá na špičkovém zpracování a používání kvalitních materiálů, což potvrzují i nezávislé testy a certifikace. Design je pro Hansgrohe klíčový, spolupracují například s designovým studiem Phoenix Design a získali více než 600 mezinárodních ocenění.
Klíčové produkty a technologie
Hansgrohe nabízí široké portfolio produktů pro koupelny a kuchyně. Mezi ty nejoblíbenější patří:
-
Sprchy a sprchové systémy: Značka je známá především pro svůj sprchový program. Série jako Raindance a Croma jsou velmi populární a vyznačují se inovativními technologiemi.
-
Baterie: Hansgrohe vyrábí umyvadlové, sprchové, vanové i bidetové baterie. V kuchyni se zaměřuje na kuchyňské baterie a dřezy.
-
Koupelnové doplňky a nábytek: V nabídce najdete i držáky na ručníky, dávkovače mýdla a další doplňky, ale také umyvadla, zrcadla a koupelnový nábytek.
Mezi hlavní technologické vychytávky patří:
-
QuickClean: Speciální silikonové trysky na sprchových hlavicích a perlátorech, které umožňují snadné odstranění vodního kamene pouhým otřením prstem.
-
AirPower: Technologie, která míchá vodu se vzduchem, což vytváří plnější a měkčí kapky. Výsledkem je příjemnější pocit ze sprchování a zároveň úspora vody.
-
EcoSmart: Omezuje průtok vody a šetří tak až 60 % vody a energie.
-
Select: Tlačítko pro snadné přepínání mezi různými typy proudů na ruční nebo horní sprše.
Rozdíl mezi Hansgrohe a Grohe
Častá otázka, kterou si lidé kladou, je, jaký je rozdíl mezi značkami Hansgrohe a Grohe. Ačkoli mají podobný název, jedná se o dvě samostatné firmy s rozdílnou historií:
-
Hansgrohe: Založil ji Hans Grohe v roce 1901. Je považována za původní značku, která je vizionářská a zaměřuje se na technologické inovace, úspory vody a originální design.
-
Grohe: Založil ji v roce 1936 Hansův syn Friedrich Grohe, který opustil rodinnou firmu. Grohe se zaměřuje spíše na klasický a nadčasový design, a klade důraz na intuitivní ovládání a bezpečnost.
Obě značky jsou vysoce kvalitní a patří mezi špičku v oboru, ale liší se v přístupu k designu a inovacím. Hansgrohe má také luxusní značku AXOR, pod kterou vznikají designové produkty ve spolupráci se světovými architekty a designéry.
Doufám, že vám tyto informace pomohou v lepším pochopení značky Hansgrohe. Pokud byste chtěli vědět více o konkrétním produktu, neváhejte se zeptat.
